PW1225.PDF The PW1225 is a high-quality, digital video signalprocessor that incorporates
2007-12-24 21:36
PW6206 与 PW6513 系列是一款高精度,40V 高输入电压,低静态电流,低压降线性稳压器具有高纹波抑制。在 VOUT=5V&VIN=7V 时,负载电流高达 300mA,(输入与输出
2021-03-12 08:00
PW1503和 PW1502是超低 RDS ON)开关,具有可编程电流限制 的 USB限流 IC,以保护电源于过电流 负载 和 正极负极 短路 的 保护 。它具有 过 温保护以及反向闭锁功能。PW1503
2021-03-16 14:58
PW5410芯片技术资料
2021-11-23 10:07
PW2319平芯微PW规格书 PMOS管40V5A.(肇庆理士电源技术有限公司地址)-PW2319平芯微PW规格书,PMOS管40V5A.
2021-08-31 11:50
PW1503 和 PW1502 是超低 RDS(ON)开关,具有可编程电流限制的 USB 限流 IC,以保护电源于过电流负载和正极负极短路的保护。它具有过温保护以及反向闭锁功能。 PW1503,
2021-03-12 08:00
PW1503,PW1502规格书,USB限流开关IC,短路防烧保护
2020-12-08 18:12
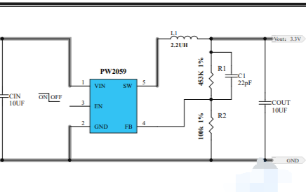
PW2058/PW2059是一种恒频、电流模式降压转换器。无需外接整流二极管和高效率的同步开关。它是用单电池锂离子电池为便携式设备供电的理想选择。输出电压可调低至0.6V,Pw2058/
2020-08-11 08:00
PW5200/PW5200C是一款高效同步、PWM升压型DC/DC转换器,可为中等功率系统提供高效的解决方案。设备与1一起工作。4MHZ固定频率开关。这些特性通过允许使用微小的.w剖面电感器和陶瓷
2020-07-31 08:00
PW2058/PW2059是一个恒定频率、电流模式降压转换器。该器件集成了一个主开关和一个同步整流器,无需外部肖特基二极管即可实现高效率。它非常适合为使用单电池锂离子(Li+)电池的便携式设备供电
2021-01-29 08:00