• 发文章

  • 发资料

  • 发帖

  • 提问

  • 发视频

创作活动
0
登录后你可以
  • 下载海量资料
  • 学习在线课程
  • 观看技术视频
  • 写文章/发帖/加入社区
返回

电子发烧友 电子发烧友

  • 全文搜索
    • 全文搜索
    • 标题搜索
  • 全部时间
    • 全部时间
    • 1小时内
    • 1天内
    • 1周内
    • 1个月内
  • 默认排序
    • 默认排序
    • 按时间排序
大家还在搜
  • FP7208规格书资料

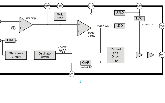
    FP7208是一颗异步升压LED驱动IC,控制外部开关NMOS,反馈电压默认为0.104V,最大是0.204V,反馈电压低,取样电阻功率损耗也降低,整体转换效率提升。 软启动时间透过外部电容调整

    2017-11-07 16:23

  • FP7208應用說明-V04

    FP7208是一颗异步升压LED驱动IC,控制外部开关NMOS,反馈电压默认为0.104V,最大是0.204V,反馈电压低,取样电阻功率损耗也降低,整体转换效率提升。软启动时间透过外部电容调整

    2021-10-15 14:28 深圳市雅欣控制技术有限公司 企业号

  • FP7208异步升压LED驱动芯片手册

    Fp7208是一款异步升压LED驱动芯片,用于控制外部开关NMOS,输入低启动电压为2.5V,工作正常电压为4.5V,VFB反馈电压为0.2V,反馈电压低,采样电阻的功率损耗也低,整体转换效率提高

    2022-07-21 17:21

  • LED升压驱动芯片FP7208英文手册

    FP7208是针对LED驱动器的升压拓扑开关驱动芯片。它提供了内置的门驱动销,用于驱动外部N-MOSFET。误差放大器的非反相输入端连接到一个0.2V的参考电压。它具有由外部电容器设置的可编程

    2023-07-12 14:48

  • 异步升压恒流LED芯片FP7208应用說明

    FP7208是一颗异步升压LED驱动IC,控制外部开关NMOS,输入低启动电压2.5V,工作电压4.5 VVFB反馈电压0.2V,反馈电压低,取样电阻功率损耗也降低,整体转换效率提升。

    2024-04-28 11:43

  • FP7208中文手册

    升压恒流调光IC资料

    2024-04-25 15:54 卓达鑫 企业号

  • FP7208升压LED驱动IC的数据手册免费下载

    FP7208 是一颗非同步升压 LED 驱动 IC,控制外部开关 NMOS,输入低启动电压 2.5V,工作电压 4.5V,VFB反馈电压 0.2V,反馈电压低,取样电阻功率损耗也降低,整体转换效率

    2021-03-04 08:00

  • FP7208规格书

    升压恒流调光IC

    2024-04-25 15:53 卓达鑫 企业号

  • 用于LED驱动器的升压拓扑开关稳压器FP7208手册

    FP7208是用于LED驱动器的升压拓扑开关稳压器。它提供内置的门驱动器用于驱动外部N-MOSFET的引脚。误差放大器的非反相输入连接到0.2V参考电压。它具有由外部电容器设置的可编程软启动

    2022-07-21 17:19

  • 外置MOS升压升压芯片FP7208数据手册

    启动电压:2.5V 宽电源电压工作范围:4.5V至24V 精密反馈参考电压:0.2V(最大值) 模拟和数字调光控制 关机电流:6μA(最大值) 内部固定开关频率:300KHz 可编程软启动功能(SS)可编程过电压保护(OVP)过温保护(OTP)

    2022-02-22 09:31