质量稳定可靠的性能保持MTTF值超过1000年在°+85 C安装温度和安装在无铅/绿色/ RoHS符合工业标准的SMT封装的SOT - 89。
2018-08-13 11:28
电流。该装置结合了质量稳定可靠的性能保持MTTF值超过百年的°+85 C装置安装在无铅/绿色/ RoHS符合行业标准封装的安装温度。
2018-08-10 11:28
置结合了质量稳定可靠的性能保持MTTF值超过1000年在+85 C安装温度和安装在无铅/绿色/ RoHS符合工业标准的SMT封装的SOT - 363。
2018-08-13 11:28
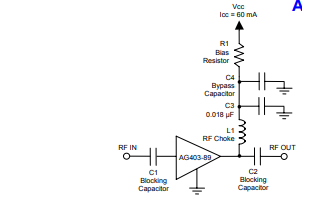
AG602-89G是一种通用缓冲放大器,在低成本的SurimeMaNT封装中提供高动态范围。在900 MHz时,AG602-88通常提供14分贝增益、+33 dBm OIP3和+18.5 dBm P1dB。该放大器结合了可靠的性能和一致的质量,以保持MTTF超过1000年的安装温度为85°C°C。
2018-08-13 11:28
设备结合了可靠的性能和一致的质量,以保持MTTF值超过1000年的安装温度为+85°C,并被安置在无铅/绿色/符合RoHS标准的SOT-89工业标准SMT封装。
2018-08-13 11:28
可靠的性能与一致的质量,以保持MTTF值超过1000年的安装温度为+85 C,并被安置在无铅/绿色/符合RoHS标准的SOT-363工业标准SMT封装。
2018-08-13 11:28
设备结合了可靠的性能和一致的质量,以保持MTTF值超过1000年的安装温度为+85°C,并被安置在无铅/符合RoHS标准的SOT-86-(MIX -X)工业标准SMT封装中。
2018-08-13 11:28
设备结合了可靠的性能和一致的质量,以保持MTTF值超过1000年的安装温度为+85°C,并被安置在无铅/绿色/符合RoHS标准的SOT-8(MIX -X)工业标准SMT封装。
2018-07-30 11:30
。该设备结合了可靠的性能和一致的质量,以保持MTTF值超过1000年的安装温度为+85°C,并被安置在无铅/绿色/符合RoHS标准的SOT-8(MIX -X)工业标准SMT封装。
2018-08-13 11:28
设备结合了可靠的性能和一致的质量,以保持MTTF值超过1000年的安装温度为+85°C,并被安置在无铅/绿色/符合RoHS标准的SOT-89工业标准SMT封装。
2018-08-13 11:28