• 发文章

  • 发资料

  • 发帖

  • 提问

  • 发视频

创作活动
0
登录后你可以
  • 下载海量资料
  • 学习在线课程
  • 观看技术视频
  • 写文章/发帖/加入社区
返回

电子发烧友 电子发烧友

  • 全文搜索
    • 全文搜索
    • 标题搜索
  • 全部时间
    • 全部时间
    • 1小时内
    • 1天内
    • 1周内
    • 1个月内
  • 默认排序
    • 默认排序
    • 按时间排序
大家还在搜
  • 每日科技新闻矿机”起家比特大陆再发AI终端芯片

    10月17日,比特大陆正式发布终端人工智能芯片BM1880,一同发布的还有基于云端人工智能芯片BM1682 的算丰智能服务器SA3、嵌入式AI迷你机SE3、3D人脸识别智能终端以及基于BM1880的开发板、AI模块、

    2018-10-21 10:01

  • ROHM BM6337x/BM6357x系列如何解决开发背景中出现的各种问题呢?

    BM6337x/BM6357x系列最重要的亮点是同时实现了业内出色的降噪性能和低损耗性能。

    2024-04-03 14:12

  • HS16P1880数字探头方案配置工具

    本软件可用于配置HS16P1880单片机,搭配数字型人体感应探头(可兼容19bit与22bit两种数据型数字探头),可配置多种人体感应方案,例如小夜灯、橱柜灯、太阳能三角壁灯,降低方案的开发难度,方便用户进行方案的快速验证。

    2025-05-20 16:24

  • 字符串的KMP算法和BM算法

    本文主要介绍KMP算法和BM算法,它们分别是前缀匹配和后缀匹配的经典算法。所谓前缀匹配是指:模式串和母串的比较从左到右,模式串的移动也是从左到右;所谓后缀匹配是指:模式串和母串的的比较从右到左,模式串的移动从左到右。

    2017-11-15 14:53

  • BM-NSCLC细胞与脑肿瘤微环境(BTME)之间的微妙联系

    鉴于此,为更好的了解BM-NSCLC与BTME之间微妙的关系,韩国国家癌症中心的Lee团队基于星形胶质细胞、BECS和患者来源的BM-NSCLC细胞构建了一种3D微流控装置,该装置为阐明潜在抗癌药物的分子靶点和针对转移的癌细胞与BTME之间的相互影响提供了一种工具

    2022-10-27 09:32

  • 基于OpenCV3.0的BM、SGBM和GC算法对比

    基于OpenCV3.0,对BM、SGBM和GC算法进行了对比测试研究。由于SGBM算法视差效果好速度快的特点,常常被广泛应用和改进,本文针对SGBM算法主要参数设置作了对比测试,以供大家参考。

    2019-06-12 15:10

  • 振动传感器BM1构成的振动检测电路

    下图是由振动传感器BM1构成的振动检测电路,用该电路可以制成各种防盗器。

    2020-09-18 10:56

  • BM2P060MF-Z DC-DC转换器文档介绍

    BM2P060MF-Z是一款AC-DC用PWM方式DC-DC转换器,可为带插座的各种产品提供理想的系统。本IC支持隔离式电源,使用本产品可轻松设计各种形式的低功耗转换器。通过内置开关MOSFET

    2025-10-05 17:37

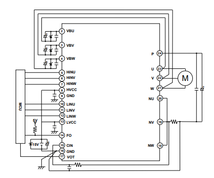
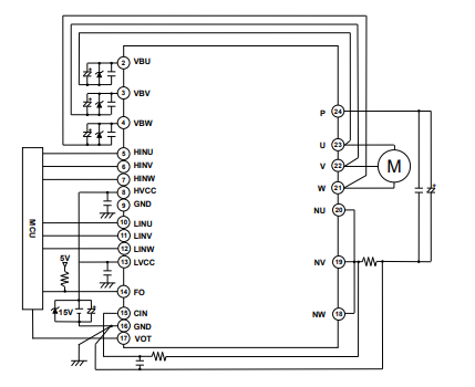
  • ROHM BM63574S-VC智能功率模块文档介绍

    ROHM BM63574S-VC 是专为三相电机控制设计的智能功率模块(IPM),集成 600V/15A IGBT、栅极驱动器、自举二极管、续流二极管及完整保护电路,核心优势在于高集成度、强保护能力

    2025-10-05 15:11

  • BM63373S-VC智能电源模块IPM文档总结

    BM63373S-VC是将栅极驱动器、自举二极管、IGBT、再生用快速反向恢复二极管一体化封装的智能电源模块(IPM)。集成 600V/10AIGBT、栅极驱动器(HVIC/LVIC)、自举二极管

    2025-10-05 16:52