• 发文章

  • 发资料

  • 发帖

  • 提问

  • 发视频

创作活动
0
登录后你可以
  • 下载海量资料
  • 学习在线课程
  • 观看技术视频
  • 写文章/发帖/加入社区
返回

电子发烧友 电子发烧友

  • 全文搜索
    • 全文搜索
    • 标题搜索
  • 全部时间
    • 全部时间
    • 1小时内
    • 1天内
    • 1周内
    • 1个月内
  • 默认排序
    • 默认排序
    • 按时间排序
大家还在搜
  • TXU-EVM评估模块用户指南

    电子发烧友网站提供《TXU-EVM评估模块用户指南.pdf》资料免费下载

    2024-11-27 14:17

  • TXU0101DRYR

    TXU0101DRYR

    2023-04-06 23:31

  • TXU-EVM评估模块技术解析与应用指南

    Texas Instruments TXU-EVM评估模块设计用于支持评估采用DTR和PW封装的TXU0104、TXU0204和TXU0304器件。该评估板设有多个接头

    2025-09-16 12:10

  • TXU-105H

    TXU-105H - Through hole TCXO HCMOS Tight frequency stability vs. temperature - QUARTZCOM the communications company

    2022-11-04 17:22

  • TXU-105H3

    TXU-105H3 - Through hole TCXO HCMOS Tight frequency stability vs. temperature - QUARTZCOM the communications company

    2022-11-04 17:22

  • TXU-105H5

    TXU-105H5 - Through hole TCXO HCMOS Tight frequency stability vs. temperature - QUARTZCOM the communications company

    2022-11-04 17:22

  • Texas Instruments TXU0202电压电平转换器技术解析与应用指南

    Texas Instruments TXU0202/TXU0202-Q1电压电平转换器是一款2位、双电源非反向固定方向电压电平转换器件。Ax引脚以V~CCA~逻辑电平为基准,OE引脚可以V~CCA

    2025-09-16 14:53

  • TXU0102双比特电压电平转换器技术解析与应用指南

    Texas Instruments TXU0102电压电平转换器是一款2位、双电源非反向固定方向电压电平转换器件。Ax引脚以V~CCA~逻辑电平为基准,OE引脚可以V~CCA~或V~CCB~逻辑电平

    2025-09-16 14:57

  • TXU0304QWBQARQ1

    电压电平 转换器 双向 1 电路 4 通道 200Mbps 14-WQFN(3x2.5)

    2024-03-14 23:22

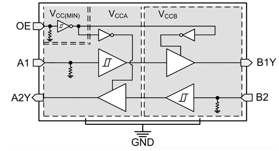
  • Texas Instruments TXU0101/Q1电压电平转换器技术解析

    Texas Instruments TXU0101/TXU0101-Q1电压电平转换器是一款1位、双电源非反向固定方向电压电平转换器件。A引脚以V~CCA~逻辑电平为基准,OE引脚可以V~CCA~或

    2025-09-16 15:21