LP3773CH 是一款高度集成的隔离型适配器和充电器的自供电PSR 控制芯片,外围设计极其简单。
2023-12-18 14:47
Texas Instruments LP5813-12xEVM评估模块用于评估具有自主控制功能的LP5813和LP5812 4x3矩阵RGB LED驱动器的功能。LP5
2025-08-11 11:19
Texas Instruments LP5890EVM评估模块设计用于评估LP5890矩阵LED显示驱动器的特性、运行和使用情况。LP5890是一款高度集成的共阴极矩阵LED显示驱动器,具有48个
2025-09-02 11:24
Texas Instruments LP2985/LP2985A低压差 (LDO) 稳压器是固定输出、宽输入、低噪声、低压差稳压器,支持2.5V至16V输入电压范围和高达150mA负载电流
2025-09-01 11:33
Texas Instruments LP5891EVM评估模块设计用于评估矩阵LED显示驱动器LP5891的特性、运行和使用情况。该LP5891是一款高度集成的共阴极矩阵LED显示驱动器,具有48个
2025-09-01 14:01
充电仓MCU 充电仓的MCU主要功能是通过配置LP7811的寄存器,设置LP7811的充电和放电电流,HALL判断开关盖,按键,LED灯显,温度保护,以及与LP4081电路的双向通讯等。
2023-06-13 09:22
Texas Instruments LP5861TEVM评估模块用于演示LP5861T LED矩阵驱动器的特性。LP586x图形用户界面 (GUI) 可将USB2ANY连接到L
2025-08-20 10:10
Texas Instruments LP5860TEVM评估模块是用于测试LP5860T LED矩阵驱动器性能的评估模块 (EVM)。LP586x图形用户界面 (GUI) 用于将USB2ANY连接到
2025-08-20 10:27
Texas Instruments LP5891Q1EVM驱动器评估模块 (EVM) 用于评估矩阵LED显示驱动器LP5891-Q1的特性、运行和使用情况。LP5891-Q1是一款高度集成的共阴极
2025-08-27 11:02
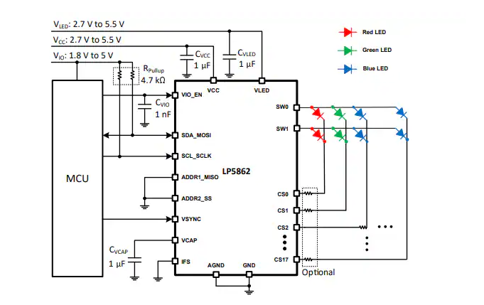
Texas Instruments LP5862 2×18 LED矩阵驱动器设计用于改善动画和指示的用户体验,采用小尺寸解决方案的LED矩阵。LP5861驱动器集成了18个具有N(N = 1/2/4
2025-09-19 11:02