led1602 LCD1602是一种工业字符型液晶,能够同时显示16x02即32个字符。LCD1602
2017-12-04 14:21
在现代电子设备中,显示屏是人机交互的重要界面。随着科技的发展,显示屏技术也在不断进步,其中液晶显示屏(LCD)和LED显示屏
2024-10-12 10:39
51单片机LED1602液晶显示超声波测距程序+原理图
2018-05-16 10:42
LED显示屏与液晶显示屏有区别吗?LED显示屏与液晶显示屏的区别在哪里?
2020-06-24 10:24
LCD1602是一种工业字符型液晶,能够同时显示16x02即32个字符。LCD1602液晶显示的原理是利用
2022-12-08 11:24
LCD1602液晶显示屏的原理是什么?如何驱动LCD1602液晶显示屏?
2022-01-17 08:29
液晶显示屏1602程序中有:w_cmd(0x80);这是一个write-command()语句中的缩写,但是请问高手括号内部的为何要用0x80,好多都是这个开头的,有什么含义没
2013-03-22 17:42
51单片机:1602液晶显示屏1602是一种液晶显示器,而液晶显示器通常是根据显
2021-11-11 20:21
1602B液晶显示屏中文数据资料,1602B中文使用说明书。
2008-11-01 10:14
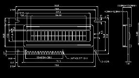
本文首先阐述了lcd1602液晶显示屏的概念,其次阐述了LCD1602外形尺寸,最后介绍了lcd1602引脚功能。
2020-04-23 08:53