ADA4610 SPICE宏模型
2021-06-08 16:04
尊敬的工程师,您好,最近在做ADA4077和ADA4610失调电压和偏置电流测试,在这里想请教您一下,您那边有没有好的方法去测试这两个参数。我是用聚苯乙烯电容和特氟龙电容测试偏置电流的。谢谢您 。
2018-08-18 06:37
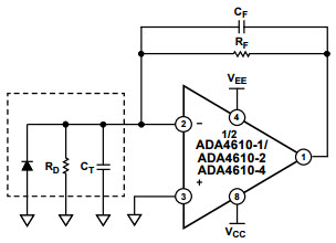
请结合ada4610的数据手册和如下原理图,评估偏置电流噪声给输出端带来多大的噪声影响?
2023-11-13 06:52
ADA4610-2S高剂量辐射报告
2021-05-14 15:41
ADA4610-1/ADA4610-2/ADA4610-4: 低噪声、精密、轨到轨输出、 JFET 单 / 双 / 四通道运算放大器
2021-03-19 13:11
ADA4610-2S单次事件效果报告
2021-05-14 15:40
ADA4610-2S低剂量辐射报告
2021-05-21 09:13
电子发烧友网为你提供ADI(ti)ADA4610-2相关产品参数、数据手册,更有ADA4610-2的引脚图、接线图、封装手册、中文资料、英文资料,ADA4610-2真值表,AD
2019-02-22 16:22
电子发烧友网为你提供ADI(ti)ADA4610-2S相关产品参数、数据手册,更有ADA4610-2S的引脚图、接线图、封装手册、中文资料、英文资料,ADA4610-2S真值表,
2019-02-22 16:25
View the reference design for ADA4610-1_Typical Application. http://www.elecfans.com/soft/ has
2021-07-06 16:33