The AD7899 is a fast, low-power, 14-bit A/D converter thatoperates from a single 5 V supply.
2009-09-09 08:42
AD7899:5 V单电源14位400 kSPS ADC数据表
2021-04-17 09:02
与3V处理器接口;低功率,80兆瓦(典型值);节电模式,20W典型;模拟输入过电压保护;通过STBY引脚断电模式。 一般说明 AD7899是一个快速,低功耗,14位a/D转换器,工作在一个单一的5
2020-07-17 15:24
The AD7899 is a fast, low-power, 14-bit A/D converter that operates from a single 5 V supply.
2017-10-10 14:36
AD7899是一款快速、低功耗、14位模数转换器(ADC),采用+5 V单电源供电。该器件内置一个2.0微秒(µs)逐次逼近型ADC、一个采样保持放大器、2.5 V基准电压源、片内时钟振荡器、信号
2023-03-17 14:04 深圳市聚成恒信电子科技有限公司 企业号
AD7899是一款快速、低功耗、14位模数转换器,采用+5 V单电源供电。该器件片内包含一个 2.0 μs 逐次逼近型 ADC、一个采样/保持放大器、2.5 V 基准电压源 时钟振荡器、信号调节
2025-03-04 15:00 深圳芯领航科技有限公司 企业号
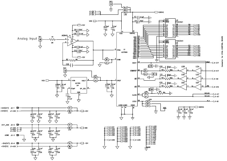
EVAL-AD7899:评估板文档
2021-05-16 16:55
首先呢,准备几个需要用到的图片,例如这样的a好了,图片准备完了,开始做吧,我使用的是ST7899的LCD做的,1.54寸屏幕上分辨率 240*240,画面细腻有弹性???所以最先准备的是LCD驱动
2021-08-20 08:20
View the reference design for EVAL-AD7899CB. http://www.elecfans.com/soft/ has thousands of reference designs to help bring your project to life.
2021-07-09 10:10
描述双直流电机驱动模块RZ7899该模块可用于驱动普通直流电机和步进电机。只需要一台单片机,再加上这个模块,就可以驱动常用的小型电机。程序也很简单。控制两个引脚高低电平的变化,可以实现电机的正转
2022-08-18 06:33