日本THine公司宣布推出新款低功耗高速圖像處理器THP7312,適用手機、車載設備以及監控等多種領域。該32位處理器最高可支持1600萬像素傳感器,內置HDR和高精確度人臉識別技術,同時支持高清視
2014-12-18 15:27
电子发烧友网为你提供Broadcom(ti)BCM7312相关产品参数、数据手册,更有BCM7312的引脚图、接线图、封装手册、中文资料、英文资料,BCM7312真值表,BCM
2019-07-04 10:02
ep7312开发板的资料
2006-03-25 13:17
电子发烧友网为你提供Maxim(Maxim)MAX7312ATG+T相关产品参数、数据手册,更有MAX7312ATG+T的引脚图、接线图、封装手册、中文资料、英文资料,MAX7312ATG+T真值表,MAX
2023-07-19 18:32
μC/OS-II在EP7312上的移植首先介绍μC/OS-II操作系统的特点,重点分析μC/OS-II在EP7312上的移植方法,介绍μC/OS-II在EP7312中的开发过程。 关键词 嵌入式操作系统 μC/O
2009-06-16 11:24
针对基于模代数预编码( THP)的多用户多输人多输出(MIMO)室内可见光通信系统存在误码率高、功率利用率低的问题,提出一种基于格基规约THP的多用户MIMO( MU-MIMO)通信系统。通过改进
2018-02-12 10:45
电子发烧友网站提供《THP210和ADS127L11性能.pdf》资料免费下载
2024-08-27 10:35
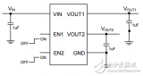
The AP7312 is 150mA, dual fixed output voltage, low dropout linear regulator. The AP7312 include
2017-08-30 11:13
The AP7312 is 150mA, dual fixed output voltage, low dropout linear regulator. The AP7312 include
2017-08-31 08:57
电子发烧友网为你提供TI(ti)LMP7312相关产品参数、数据手册,更有LMP7312的引脚图、接线图、封装手册、中文资料、英文资料,LMP7312真值表,LMP7312
2018-11-02 18:11