本文主要介绍了IP5318英集芯快充移动电源解决方案,英集芯IP5318是一款集成Type-C协议、QC2.0输出快充协议(兼容DCP识别功能,兼容BC1.2、苹果和三星手机)、同步升压转换器、锂电池充电管理、电池电量指示等多功能的电源管理SOC,为移动电源提供完
2017-12-29 15:46
高通推出了QC3.0快充技术不久,致力于高集成度移动电源解决方案领导者英集芯科技,发布了全球首颗多合一快充移动电源单芯片解决方案IP5318。该款芯片采用了多项行业首创技术,当搭配
2018-10-19 16:47
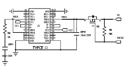
IP5318是一款集成 TYPE-C 协议、QC2.0 / QC3.0 输出快充协议(兼容 DCP 识别功能,兼容 BC1.2、苹果和三星手机)、同步升压转换器、锂电池充电管理、电池电量指示等多功能
2019-07-01 08:00
IP5318 是一款集成 TYPE-C 协议、QC2.0 / QC3.0 输出快充协议(兼容 DCP 识别功能,兼容 BC1.2、苹果和三星手机)、同步升压转换器、锂电池充电管理、电池电量指示等多功能的电源管理 SOC,为移动电源提供完整的电源解决方案。
2019-01-14 08:00
优先给对方充电。当作为DFP工作时,对外输出可以设置Default、1.5A、3A三种电流能力信息(三选1,默认3A);当作为UFP工作时,可识别出对方的输出电流能力。IP5318采用6mm
2020-07-02 09:24
电子发烧友网为你提供Maxim(Maxim)MAX5318PMB#相关产品参数、数据手册,更有MAX5318PMB#的引脚图、接线图、封装手册、中文资料、英文资料,MAX5318PMB#真值表,MAX
2023-02-06 19:32
、IP2718、SC1998C、MIN1072M、IP2133 DFN-6L、IP2726、IP5318、IP2161、
2022-01-05 13:36
FS5318C原厂1档剃须刀抽水泵方案集成锂电池充电功能的马达芯片IC
2025-05-30 16:38
电子发烧友网为你提供Maxim(Maxim)MAX5318GUG+T相关产品参数、数据手册,更有MAX5318GUG+T的引脚图、接线图、封装手册、中文资料、英文资料,MAX5318GUG+T真值表,MAX
2023-01-19 19:34
TEMPERATURE METER KIT DIY W/CASE
2023-03-29 18:53