各位大神,有没有用过BLF242和BLF246B PHILIPS 的,给小弟推荐几个这两款NMOS的替代型号呀。先谢谢了。
2015-09-12 21:25
和大家分享一下关于TSMaster软件中同时记录标定变量和DBC信号至BLF文件的实现方法。本文关键字:标定变量、DBC信号、BLF文件目录Catalog1.加载
2024-03-25 08:20 上海同星智能科技有限公司 企业号
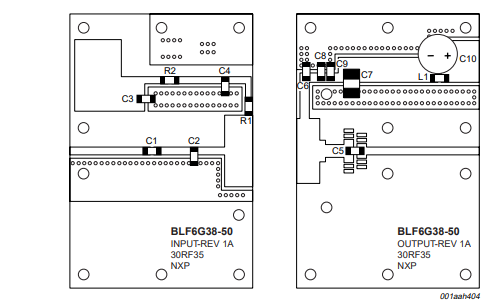
本文档的主要内容详细介绍的是BLF6G38-50和BLF6G38LS-50 LDOS晶体管的数据手册免费下载。50w ldmos功率晶体管,用于3400mhz至3800mhz频率的基站应用。
2019-10-12 08:00
BLF-B型远红外电热取暖壶
2009-01-06 20:40
基于BLF888设计的500W RF广播发射方案 NXP 公司的BLF888是500W LDMOS RF功率晶体管,用于广播发射和工业应用。在UHF频带470 MHz 到860 MHz可提供平均功率110W,
2010-05-23 08:58
埃赋隆半导体(Ampleon)今天宣布推出大功率坚固型BLF189XRA RF功率晶体管,用于88-108MHz频率范围内的广播FM无线电应用。
2018-09-30 16:41
恩智浦半导体(NXP Semiconductors N.V.)(纳斯达克代码:NXPI)今日推出BLF188XR – 其XR系列“超耐用” LDMOS 射频功率晶体管的最新成员。BLF188XR专为最严酷的工程环境而设计,真实条件下耐用性更强, 能够在5dB压缩点
2013-08-13 12:30
微孔板迷你离心机BLF-P25产品简述: 迷你型微孔板离心机BLF-P25为国内首款专门为96孔板设计的离心机,方便离下挂壁液滴。当前市面上大多数微孔板离心机都体积庞大,占据了大量的实验室空间,该
2020-12-30 14:56
埃赋隆半导体(Ampleon)今天宣佈推出专为诸如数位视讯广播(DVBT)和特高频(UHF)类比电视等UHF广播应用设计的BLF989射频(RF)功率电晶体。
2018-06-07 11:43
恩智浦半导体(NXP Semiconductors)(由飞利浦创建的独立半导体公司)日前推出了全球首款真正的300W超高频( UHF)晶体管,即第六代高压LDMOS晶体管BLF878。这一新的大功率晶体管是市场
2010-09-17 18:29