• 发文章

  • 发资料

  • 发帖

  • 提问

  • 发视频

创作活动
0
登录后你可以
  • 下载海量资料
  • 学习在线课程
  • 观看技术视频
  • 写文章/发帖/加入社区
返回

电子发烧友 电子发烧友

  • 全文搜索
    • 全文搜索
    • 标题搜索
  • 全部时间
    • 全部时间
    • 1小时内
    • 1天内
    • 1周内
    • 1个月内
  • 默认排序
    • 默认排序
    • 按时间排序
大家还在搜
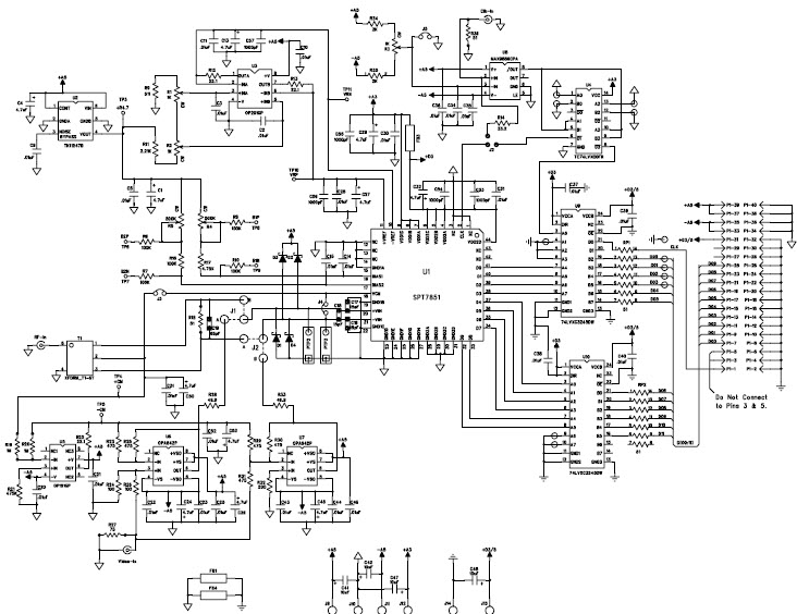
  • CB7851-000 CB7851-000 接头

    电子发烧友网为你提供TE(ti)CB7851-000相关产品参数、数据手册,更有CB7851-000的引脚图、接线图、封装手册、中文资料、英文资料,CB7851-000真值表,CB

    2021-08-11 09:00

  • MT7851BL 高功率因数、非隔离LED驱动芯片

    资料,方案+++郭生扣扣;3301086671下面产品信息: MT7851BL是一款高功率因数、非隔离LED驱动芯片。 它通过采用浮地、高端检测,降压式开关电源的架构实现了全周期检测

    2019-08-21 09:11

  • d类数字功放芯片音质怎么

    模拟功放成为主流,这是科技进步的趋势,随着生活水平的提高,人们的生活质量和生活需求也越来越丰富。基础的音响有些已经不能满足日常的需求,那么面对琳琅满目的产品数字功放芯片,究竟哪一款比较好呢?数字

    2021-12-22 11:32

  • 功放芯片功率小会出现什么的效果

    功放芯片功率小可能会产生以下效果: 一、音质影响 声音失真 :功率较小的功放芯片在驱动较大负载(如大功率扬声器)时,可能会因为输出能力不足而导致声音失真。失真表现为声音

    2024-09-29 16:57

  • AD7851是一款高速,低功耗ADC

    EVAL-AD7851CB,AD7851评估板,14位A / D转换器。 AD7851是一款高速,低功耗ADC,采用+ 5V单电源供电

    2019-06-26 14:02

  • HCPL-7851 密封模拟隔离放大器

    电子发烧友网为你提供Broadcom(ti)HCPL-7851相关产品参数、数据手册,更有HCPL-7851的引脚图、接线图、封装手册、中文资料、英文资料,HCPL-7851真值表,HCPL-

    2019-07-04 12:50

  • AD7851,pdf datasheet (Serial A

    The AD7851 is a high speed, 14-bit ADC that operates from asingle 5 V power supply. The ADC powers

    2009-09-09 08:37

  • 功放功率小于音响功率会怎么呢?

    功放功率小于音响功率会怎么

    2024-11-25 10:22

  • 如何选择功放芯片?音质好的功放芯片性能详解

    数字功放芯片也称为数字音频功放芯片,是一种利用数字信号处理技术进行音频放大的集成电路芯片;是现代音频放大技术的重要组成部

    2023-10-16 10:14

  • 基于AN-7851模拟到数字转换的参考设计

    View the reference design for AN-7851. http://www.elecfans.com/soft/ has thousands of reference designs to help bring your project to life.

    2021-08-24 08:59