34401A Mul
2010-08-19 10:42
安捷伦34401A的维修手册,有助于分析万用表的问题
2016-05-20 14:28
Avago(Agilent)34401A六位半数字表原厂原理图
2016-07-01 16:19
Agilent-34401A数字万用表应用指南英文版(附原理图部分)。Agilent 34401A 是 Agilent 公司的 6 1/2 位数字 万用表。所取得的 12 项专利反映出 这些新数字
2022-05-26 14:37
Avago(Agilent)34401A原厂说明书维修手册带原理图
2016-07-01 16:19
电子发烧友网站提供《安捷伦34401A 6½位万用表电表线路图.pdf》资料免费下载
2024-02-23 09:11
Agilent 34401A多用表适用于工作台和系统测试的优异性能产品综述
2010-07-11 17:55
本文档的主要内容详细介绍的是34401A数字万用表的用户手册免费下载。
2019-12-20 08:00
本文档的主要内容详细介绍的是Agilent 34401A数字万用表的中文使用手册免费下载。
2019-09-19 08:00
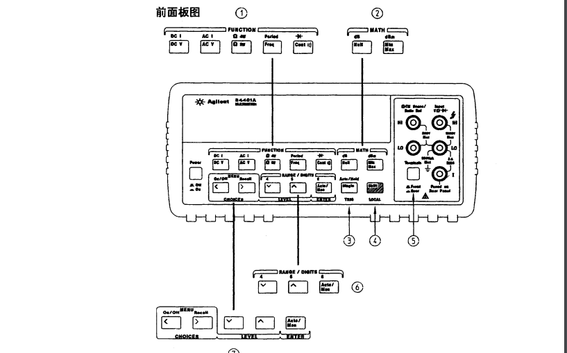
Agilent 34401A数字万用表使用指南 Agilent 34401A是一台6 1/2位、高性能的数字万用表。它结合了实验室及系统的特性,可满足您现在和末来在测量方面的多种需求。
2010-02-24 09:01