HMC234S参数
2021-03-23 17:14
HMC234数据表
2021-04-16 15:03
AN-234:数字恢复器集成
2021-04-21 08:56
HMC234 S-Parameters
2021-03-05 14:27
HMC234 S-Parameters
2021-02-02 14:16
234 - 3 mm Round LED (T-1) - Everlight Electronics Co., Ltd
2022-11-04 17:22
View the reference design for AN-CM-234. http://www.elecfans.com/soft/ has thousands of reference designs to help bring your project to life.
2021-09-09 13:09
我无法使用CYUSBS234开发套件。 因为我的电脑无法识别 com 端口。 在英飞凌网站上的 cypressdriver instsller 下载后,进行 CYUSBS234DV 设置和 USB
2025-05-16 07:27
View the reference design for S32V234-EVB. http://www.elecfans.com/soft/ has thousands of reference designs to help bring your project to life.
2021-07-09 13:15
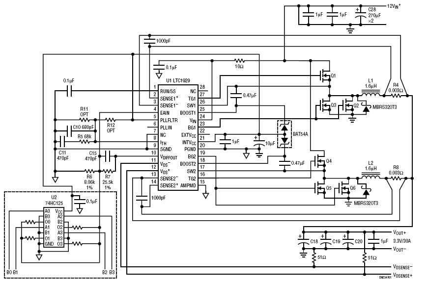
View the reference design for DN234F. http://www.elecfans.com/soft/ has thousands of reference designs to help bring your project to life.
2021-07-31 09:53