• 发文章

  • 发资料

  • 发帖

  • 提问

  • 发视频

创作活动
0
登录后你可以
  • 下载海量资料
  • 学习在线课程
  • 观看技术视频
  • 写文章/发帖/加入社区
返回

电子发烧友 电子发烧友

  • 全文搜索
    • 全文搜索
    • 标题搜索
  • 全部时间
    • 全部时间
    • 1小时内
    • 1天内
    • 1周内
    • 1个月内
  • 默认排序
    • 默认排序
    • 按时间排序
大家还在搜
  • DC2330A-模式

    DC2330A-模式

    2021-05-21 19:47

  • DC2330A-设计文件

    DC2330A-设计文件

    2021-06-01 11:58

  • MP2330CGTL-P 开关稳压器

    型号:MP2330CGTL-P 品牌:

    。MP2330C 提供非常紧凑的解决方案,在宽输入范围内可实现 3A 的持续输出电流,具有极好的负载和线性调整率。MP2330C 在输出负载范围内采用同步模式工作以达到高效率

    2024-06-03 13:46 立年电子科技 企业号

  • DC2330A - Design Files

    DC2330A - Design Files

    2021-03-11 15:39

  • OPA2330器件内部结构异常的原因?

    您好,我司购买的OPA2330AIDGKRREV:C 内部结构与我司在库的存件 REV:E 版本的结构存在不同,请问此情况是否正常 REV:C 内部结构图片 REV:E 内部结构图片

    2024-08-02 11:43

  • MDPX-2330双工器

    `MDPX-2330是宽带无源MMIC双工器,是高通和损耗通过滤波器的组合,能够多路复用低频DC至23GHz和高频30至60GHz信号。无源GaAs MMIC技术允许生产更小的滤波器结构,以取代更大

    2021-03-29 14:29

  • OPA2330 AIDGKR SOIC-8运放在电路使用中损坏的原因?

    问题现象:OPA2330AIDGKR SOIC-8运放在电路使用中损坏,但查不出损坏原因。 此OPA2330运放在电路中的作用是将PWM信号转换为电流信号进行输出,当它损坏,引起电路板无法提供

    2024-08-02 07:14

  • IP2330单节锂电池同步开关降压1.5A充电芯片

    IP2330单节锂电池同步开关降压充电芯片一 简介IP2330是一款 5V输入,支持单节锂电池同步降压充电管理芯片。IP2330集成功率 MOS,采用同步开关架构,使其在应用时仅需极少的外围器件

    2023-12-11 20:05 深圳市科发鑫电子有限公司 企业号

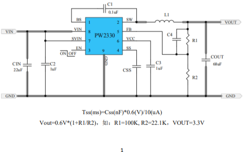
  • PW2330同步降压调节器的数据手册

    PW2330 开发了一种高效率的同步降压 DC-DC 变换器 3A 输出电流。PW2330 在 4.5V 到 30V 的宽输入电压范围内工作集成主开关和同步开关,具有非常低的 RDS(ON)以最小化

    2020-12-08 08:00

  • PT2330D类音频功率放大器相关资料推荐

    概述: PT2330是一种专为音频设备设计的功率放大器,其最大功率输出可达30W(RL=3Ω,PVH=15.3 V). 作为D 类放大器,PT2330 比AB 级放大器更为高效(>80%),更低

    2021-05-19 07:14