Hi3519V101 核心板是一款基于海思Hi3519V101 多媒体处理芯片的核心板。Hi3519V101 作为新一代行业专用 HD IP摄像机 SoC,集成新一代 ISP,采用业界
2022-08-08 14:27
绝密分享全志A33芯片核心板PCB文件哦,两片DDR的,拿来直接用,很给力的,方便快捷,减少你开发周期。
2017-09-11 08:28
本章采用TI公司的AM335x芯片构建的最小核心板系统,能通过外接DC电源让核心板直接运行,与底板通过B2B连接器连接。 底板配合核心板提供了串口、CAN总线接口、US
2023-04-19 09:53
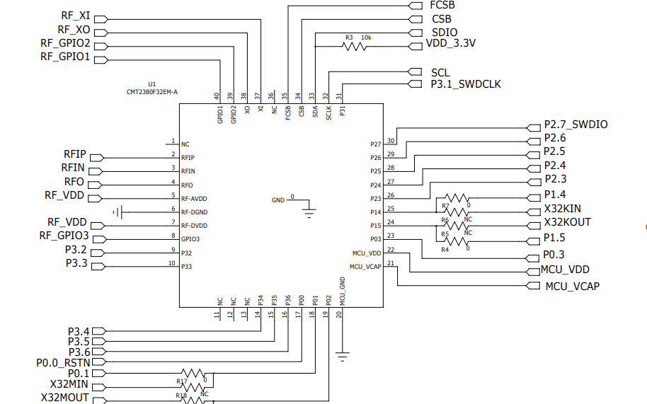
本文档的主要内容详细介绍的是CMT2380F32核心板电路原理图免费下载。
2019-06-03 08:00
i.MX RT1052是i.MX RT系列芯片,是由 NXP 半导体公司推出的跨界处理器芯片,该系列下又包
2018-06-10 10:55
核心板设计的目标是更小、更快和成本更低。而由于互连点是电路链上最为薄弱的环节,在RF设计中,互连点处的电磁性质是工程设计面临的主要问题,要考察每个互连点并解决存在的问题。电路板系统的互连包括芯片到
2019-05-28 06:09
,用于快速评估SOM-TL5728核心板的整体性能。硬件加密芯片核心板采用高安全性的加密芯片ATAES132A,为串行电子可擦写和可编程只读存储器(EEPROM)提供了
2021-12-29 06:49