去电源化LED光电模组线性恒流驱动芯片系列,去电源化LED光电模组线性
2016-08-22 16:01
电子发烧友网站提供《SM4AXX系列高精度的线性恒流驱动芯片V1.5.pdf》资料免费下载
2024-07-09 16:36
宽输入电压范围的LED线性恒流驱动芯片SM2086,SM2086 是双通道递进式LED
2016-09-06 17:54
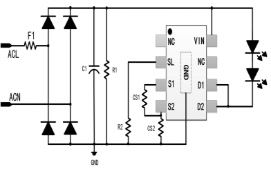
SM2316E去电化LED线性恒流驱动芯片方案,SM2316E是单通道LED恒
2016-09-12 17:50
电子发烧友网站提供《SM4AXX系列高精度的低压差线性恒流驱动芯片规格书V1.7.pdf》资料免费下载
2024-07-09 16:34
RM9006AB是一款可分段调节亮度/色温的LED线性恒流驱动芯片,适用于 220V AC/120V AC输入电压,
2020-12-17 08:00
led线性恒流驱动芯片SM2212E、SM2213E调光调色方案, SM2212/3E是一系列支持多段调光/调色的
2016-07-26 14:31
线性恒流驱动芯片SM2083 8W LED日光灯电源方案,SM2083是单通道可调光LED
2016-07-14 17:34
SM2188EN 是一款无频闪、可满足新 ERP 标准的 LED 线性恒流控制芯片,内置过温保护功能和软启动功能,提升系统应用可靠性。外围可通过调节 REXT 电阻值对
2024-01-05 11:04
2015-06-09 17:07