通常情况下直流电源输入防反接保护电路是利用二极管的单向导电性来实现防反接保护。
2021-06-18 11:23
有一同事(实习生),没什么项目经验。然后加工回来的线材直接就拿来调试用了,结果加工线材电源线做反了。由于电路不加防反接保护电路的,一通电后直接炸电容。炸完后还一脸懵逼的
2021-11-07 10:06
1,通常情况下直流电源输入防反接保护电路是利用二极管的单向导电性来实现防反接保护。如下图1 示:这种接法简单可靠,但当输
2021-02-28 11:52
2022-01-06 16:56
,有可能导致终端设备内部电路烧坏。对此我们需要设计防反接保护电路,这里就主要讲解下通过二极管防反接
2021-10-22 18:20
直流电源输入防反接保护电路总结单片机嵌入式爱好者01-0417:35我们在设计一些终端设备时,比如一些电池供电的设备,工控类的一些现场终端设备等,这些设备在设计时都会有一个供电接口,对于这些需要直流
2022-01-05 14:29
电子发烧友网为你提供二极管/MOS管型防反接保护电路特性比较及设计资料下载的电子资料下载,更有其他相关的电路图、源代码、课件教程、中文资料、英文资料、参考设计、用户指南
2021-04-02 08:53
2014-12-31 11:30
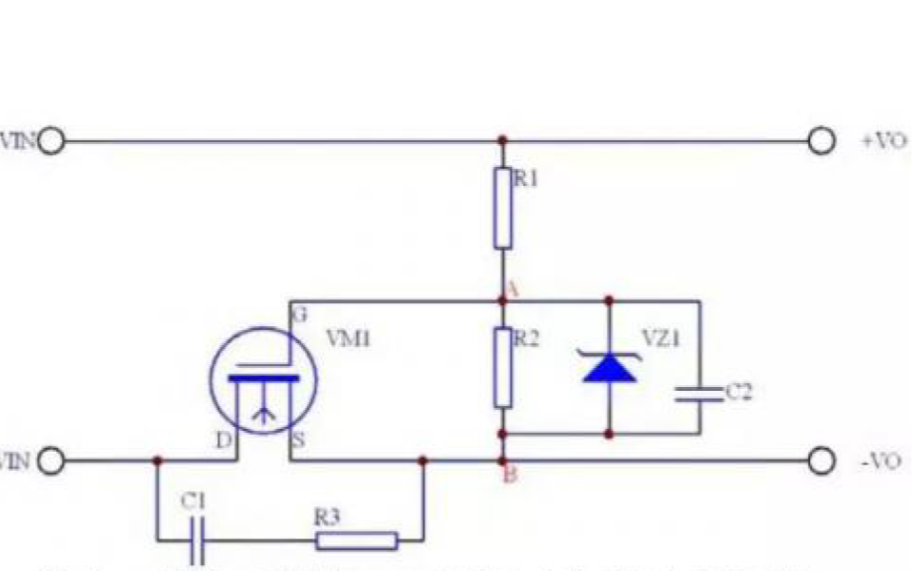
自恢复保险丝+二极管,防反接防过流,缺点,自恢复保险丝有个0.1V左右的压降,大电流会发热,而且大电流的自恢复保险丝太贵mos防反接,成本低,压降小,可过大电流...
2022-01-05 14:31
电源防反接保护电路
2021-12-29 06:58