• 发文章

  • 发资料

  • 发帖

  • 提问

  • 发视频

创作活动
0
登录后你可以
  • 下载海量资料
  • 学习在线课程
  • 观看技术视频
  • 写文章/发帖/加入社区
返回

电子发烧友 电子发烧友

  • 全文搜索
    • 全文搜索
    • 标题搜索
  • 全部时间
    • 全部时间
    • 1小时内
    • 1天内
    • 1周内
    • 1个月内
  • 默认排序
    • 默认排序
    • 按时间排序
大家还在搜
  • 苹果13系统怎么样设悬浮

    iPhone手机的很多操作都要借助虚拟的辅助键来实现,悬浮就是iPhone手机的特色之一,它可以完成截图/重启/返回主屏幕等操作。接下来小编就告诉大家怎么设置

    2021-09-13 11:58

  • 四参数悬浮传感器,让温室大棚管理更 “智慧”

    在农业现代化的进程中,温室大棚作为一种高效的农业生产设施,为农作物创造了适宜的生长环境。而四参数悬浮传感器的出现,更是为温室大棚管理带来了革命性的变化,让大棚管理迈向智能化、精细化,成为农业增产提

    2025-02-11 14:37

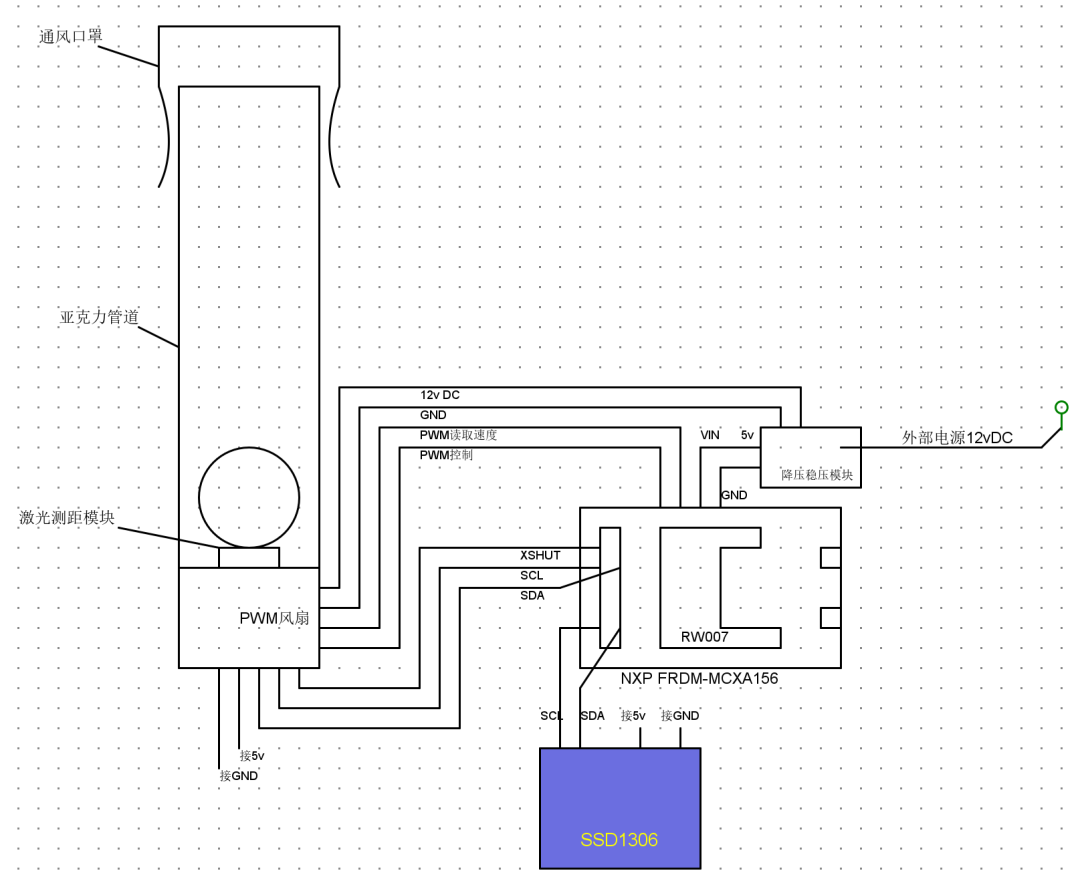
  • 风洞悬浮:基于RT-Thread与MCXA156的简单控制实践 | 技术集结

    和NXPFRDM-MCXA156开发板,构建了一个能够将乒乓稳定悬浮在预定高度的控制系统。配备了本地数据显示屏和远程Web监控界面,构成了一个功能相对完整的嵌入式系统。视频

    2025-10-17 11:53 RT-Thread官方账号 企业号

  • 什么是悬浮触控技术?

    本文为你介绍触屏手机一种全新的技术模式,悬浮触控技术。支持该技术的手机,可以让用户使用手机的时候无需碰触屏幕就可以完成手机

    2012-03-22 10:08

  • 悬浮触控技术的工作原理

    悬浮触控是如今用户关注度越来越高的新技术,已经应用到了智能手机以及其他极少数数码产品当中,并且还在不断的发展。如今用户关注最高的莫过于手机触摸屏悬浮触控技术,它是触屏

    2022-03-18 10:48

  • 什么是悬浮触控?悬浮触控技术的工作原理

    悬浮触控是通过在一个电容触摸屏幕上,同时运行自电容和互电容来实现的。互电容用于完成正常的触碰感应,包括多点触控。而自电容用于检测悬停在 上方的手指。由于悬浮触控技术依赖于自电容,因此不可能实现悬浮多点触控。

    2023-11-09 14:33

  • BGA芯片底填胶如何去除

    BGA芯片底填胶如何去除?BGA(BallGridArray,栅阵列)芯片底填胶的去除是一个相对复杂且需要精细操作的过程。以下是一些去除BGA芯片底填胶的详细步骤和注

    2024-12-13 14:04 汉思新材料 企业号

  • 微软宣布Win10手机将支持悬浮触控技术

    微软的黑科技从来就不少,现在关于Win10手机也有了更多消息。最近有消息称Win10手机将支持悬浮触控。

    2019-07-01 11:03

  • 悬浮的原理及制作

    悬浮想法由来已久,就是用磁力克服重力让物体悬空,但真正做起来并不容易,主要原因是没有稳定的平衡点。要达到悬浮,必须是稳定的悬浮。也就是说,用一个力(或位移)在任何方向上(上下左右前后等)来(小)扰动被

    2018-09-14 11:10

  • 既能悬浮点灯又能悬浮充电的手表

    电力,因此 Lift 能够实现无线充电。 Lift 除了能够给智能手表充电之外,也能够为智能手机充电,虽然不能悬浮,但也能够支持无线充电。大家外出旅行的时候,只需要携带 Lift 这一个充电器即可。 Lift 还是一个灯具,当你不用来充电的时候,你可以将把它当做电

    2018-04-11 06:58