分立元件设计的低噪声前置放大器实用电路::根据级联网络及噪声理论,本文采用分立元件设计了一种低噪声前置放大器实用电路.测
2009-09-25 12:11
电子发烧友网站提供《JFE2140超低噪声前置放大器.pdf》资料免费下载
2024-09-07 11:07
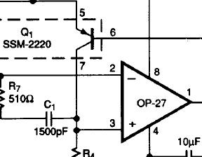
介绍用SSM-2220和OP-27设计甚低噪声前置放大器:
2009-06-04 16:38
介绍用SSM-2220和OP-27设计甚低噪声前置放大器
2009-05-12 12:10
了一款结型场效应管低噪声前置放大器实用电路。并对其幅频特性、输入阻抗和等效输入电压噪声进行了测量,结果表明其输入阻抗高达71M8,等效输入电压噪声约为0.87nV/Hz
2021-04-12 09:25
AD8332-EVALZ:双VGA、超低噪声前置放大器和可编程RIN评估板数据表
2021-05-18 15:53
前置放大器在音频系统中的作用至关重要。本文首先讲解了在为家庭音响系统或PDA设计前置放大器时,工程师应如何恰当选取元件。随后,详尽分析了噪声的来源,为设计低噪声前
2010-06-07 08:17
为拓展热成像技术的应用,使其可以应用到除军事领域外的其它商业范围,本文就其中的微弱信号处理技术进行了研究. 采用国内市场可购得的AD797 作核心芯片,对SPRITE 探测器输出的微弱信
2012-02-14 15:06
概述:前置放大器-低噪声双前置放大器LM381。该器件适合应用在低电平信号低噪声情况下,是一含二完全独立的双组前置放大器
2021-04-09 06:55
声发射前置放大器是声发射检测系统中的一个重要组成部分,它的功能是对从传感器侦测到的微弱的声发射信号进行放大处理,同时把不需要的信号滤掉,这样提高了信噪比,继而将信号通过同轴电缆传输到采集器和处理电路。前置放大器一般有
2017-02-07 16:45