低噪声前置放大器电路的设计步骤 前置放大器在音频系统中的作用至关重要。本文首先讲解了在为家庭音响系统或PDA设计前置放大器时,工程师应如何恰当选取元件。
2009-12-26 14:32
在低噪声的前置放大器中使用低电阻值在测量用方面需要低噪声的前置放大器。制作低噪声
2008-09-27 11:42
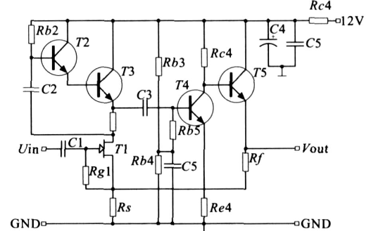
分立元件设计的低噪声前置放大器实用电路::根据级联网络及噪声理论,本文采用分立元件设计了一种低噪声前置放大器实用电路.测
2009-09-25 12:11
J-FER并联连接的低噪声前置放大器电路图
2009-07-13 17:23
LMH6672用作上行线路驱动器和LMH6622用作下行低噪声前置放大器电路。
2011-04-17 23:25
ANADYNE 的快速超低噪声前置放大器;与许多不同的输入拓扑兼容,以实现最大的灵活性。
2022-10-19 09:18
电子发烧友网站提供《JFE2140超低噪声前置放大器.pdf》资料免费下载
2024-09-07 11:07
前置放大器在音频系统中的作用至关重要。本文首先讲解了在为家庭音响系统或PDA设计前置放大器时,工程师应如何恰当选取元件。随后,详尽分析了噪声的来源,为设计低噪声前
2010-06-07 08:17
了一款结型场效应管低噪声前置放大器实用电路。并对其幅频特性、输入阻抗和等效输入电压噪声进行了测量,结果表明其输入阻抗高达71M8,等效输入电压噪声约为0.87nV/Hz
2021-04-12 09:25
介绍用SSM-2220和OP-27设计甚低噪声前置放大器
2009-05-12 12:13